Copper Lugs
High-Voltage Insulation · Smart Power Distribution · Industrial Frequency Conversion.
Copper Lug HUP
SOCOME High-performance copper cable lug engineered for superior electrical conductivity and stable connections in power transmission, industrial wiring, and lightning protection systems.
Crafted from high-purity copper, it features a precision-formed seamless barrel for tight crimping, minimal resistance, and excellent corrosion resistance.
Compatible with various copper cables for indoor and outdoor applications, it meets UL, CE, and IEC international standards. Customizable in sizes, barrel lengths, and surface treatments (tinned, galvanized) with OEM/ODM services, ideal for global exporters targeting diverse markets.
Material: 99.99% pure copper
Certificate: IEC/CE/ISO
Application: Battery, Industrial, connecting cable
Type: Lugs/Connector
Surface treatment: Tin-plating
Rated Voltage: 600V
Wire range: 1.5~630mm2
Rated Current: 100A 150A 200A
Package: Carton box
Terminal quality: Prime,high quality
Others: OEM Service Offered
INQUIRY


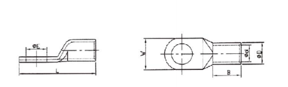
| Part No. | D±0.2 | d±0.2 | L±2 | Φ |
| HUP-6 | 6.5 | 3.5 | 27.5 | M5,M6,M8 |
| HUP-10 | 7.0 | 4.5 | 28.5 | M5,M6,M8 |
| HUP-16 | 8.5 | 5.5 | 32.5 | M6,M8,M10,M12 |
| HUP-25 | 10 | 7 | 46 | M6,M8,M10,M12 |
| HUP-35 | 12 | 8.5 | 52.5 | M6,M8,M10,M12 |
| HUP-50 | 14 | 10 | 56 | M6,M8,M10,M12 |
| HUP-70 | 16.5 | 12 | 59 | M8,M10,M12,M16 |
| HUP-95 | 18 | 13.5 | 60 | M8,M10,M12,M16 |
| HUP-120 | 19.5 | 15 | 65 | M12,M14,M16,M20 |
| HUP-150 | 21 | 16.5 | 72 | M12,M14,M16,M20 |
| HUP-185 | 24 | 19 | 83 | M12,M14,M16,M20 |
| HUP-240 | 26 | 21 | 93.5 | M12,M14,M16,M20 |
| HUP-300 | 29.5 | 23.5 | 111 | M12,M14,M16,M20 |
| Other dimensions copper lug can be customized as your requested. | ||||








| Part No. | D±0.2 | d±0.2 | L±2 | Φ |
| HUP-6 | 6.5 | 3.5 | 27.5 | M5,M6,M8 |
| HUP-10 | 7.0 | 4.5 | 28.5 | M5,M6,M8 |
| HUP-16 | 8.5 | 5.5 | 32.5 | M6,M8,M10,M12 |
| HUP-25 | 10 | 7 | 46 | M6,M8,M10,M12 |
| HUP-35 | 12 | 8.5 | 52.5 | M6,M8,M10,M12 |
| HUP-50 | 14 | 10 | 56 | M6,M8,M10,M12 |
| HUP-70 | 16.5 | 12 | 59 | M8,M10,M12,M16 |
| HUP-95 | 18 | 13.5 | 60 | M8,M10,M12,M16 |
| HUP-120 | 19.5 | 15 | 65 | M12,M14,M16,M20 |
| HUP-150 | 21 | 16.5 | 72 | M12,M14,M16,M20 |
| HUP-185 | 24 | 19 | 83 | M12,M14,M16,M20 |
| HUP-240 | 26 | 21 | 93.5 | M12,M14,M16,M20 |
| HUP-300 | 29.5 | 23.5 | 111 | M12,M14,M16,M20 |
| Other dimensions copper lug can be customized as your requested. | ||||






En
Ru
Es
Fr
Pt